*绝对值型、机械多圈不含电池
*本安防爆
*出轴、盲孔结构
*自主研发生产、性能稳定、货期短
防爆标志:
Ex ia IIB T4 Ga / Ex iaD 20 T130°C
Ex ib IIC T6 Gb: Ex ib IIIC T80° Db
|
机械参数 |
电气参数 |
||
|
最大转速 |
3000转/分 |
工作电压 |
10-30Vdc (5Vdc可定制) |
|
主轴负载 |
轴向40N,径向100N |
消耗电流 |
< 50mA (24Vdc)空载 |
|
抗冲击 |
1000m/s²(6ms),等于100g |
输出信号 |
RS485自由协议 |
|
抗振动 |
200m/s²(10-2000Hz),等于20g |
线性分辨率 |
1/4096FS |
|
允许轴向窜动 |
±1.5mm |
最大工作圈数 |
4096圈(256圈/64圈可选) |
|
允许径向跳动 |
±0.2mm |
重复定位精度 |
小于2Bit |
|
外形结构 |
60mm外径,实心轴,盲孔轴 |
工作温度 |
-40℃~85℃ |
|
连接形式 |
6芯屏蔽电缆或航空插头 |
储存温度 |
-40℃~85℃ |
RS485 通讯协议说明:
波特率: 4800bps. 9600bps. 19200bps. 38400bps. 115200bps.
帧格式: 数据位 8 位,停止位 1 位,无奇偶校验,无控制流。
编码器的参数需软件指令对编码器进行设定。
编码器为主动模式时,即编码器主动向上位机发送数据。数据长度为 16 位 16 进制 ASCII 码,格式为:XAB>± DATA↙,即:
|
1 |
2 |
3 |
4 |
5 |
6 |
7 |
8 |
9 |
10 |
11 |
12 |
13 |
14 |
15 |
16 |
|
X |
地址 |
> |
± |
DATA |
↙ |
||||||||||
其中,“X”为前导字母, >位分割符, ±为符号位。 DATA 为数据, ASCII 格式, 10 位, 由 0~9 构成,范围为 -9,999,999,999~+9,999,999,999。最后是回车符(0D)。
编码器地址为被动模式时,即问答模式。上位机向编码器发送询问指令, 指令为 4 位 16 进制 ASCII 码, 格式为: D+AB↙。
AB为编码器地址,范围为0到99
例程 :
1:读数据:
上位机发送:D+地址+0D 编码器回:X+地址+>+符合位+数据位+0D
例:上位机发送 44 30 31 0D (编码器地址为 01 时)
编码器回:58 30 31 3E 2B 30 30 30 30 30 30 30 31 32 33 0D
2:读参数 : (编程允许线接高电平时有效)
上位机发送:D+00+A+0D 编码器回: X+地址+a+方向+波特率+工作状态+工作模式+0D
例: 上位机发送: 44 00 41 0D
编码器回: 58 30 31 61 06 03 11 09 0D
(编码器地址 01,顺时针增加, 波特率 19200,往复模式,被动模式。)
3:编码器置位指令:
上位机发送: D+地址+L+ M+和校验+0D 编码器回: X+地址+l+ m+和校验+0D
例: 上位机发送: 44 30 31 4C 4D 和校验 0D (编码器地址为 01 时)
编码器回: 58 30 31 6C 4D 和校验 0D(置当前位置)
线缆定义:
功能
Vcc
GND
RS485 A
RS485 B
置位(可选)
设置允许
屏蔽
颜色
棕色
白色
绿色
黄色
灰色
蓝色
网(粗红色)
注: 1 、设置允许线(蓝色)的使用
设置模式时:编码器蓝色线与棕色线并在一起接正电源。此时,编码器的通讯速率固定为 19200bps。 非设置模式:即正常工作时,建议将蓝色线与白色线并在一起接电源地线。
2 、置位线(灰色)的使用
当置位线(灰色)触碰 Vcc 大于 1 秒钟,编码器的当前数据即变为置位值(编码器的置位值可任意设置) 编码器置位还可以使用指令的方式(具体指令详见例程 3)
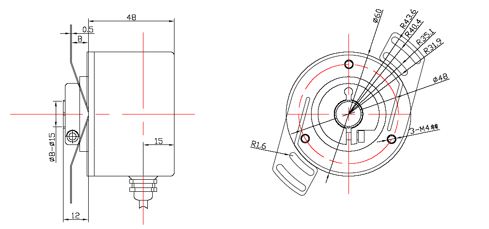
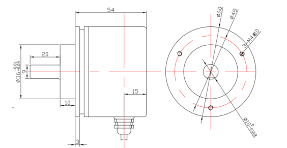
机械结构:
夹紧同步法兰:
盲孔法兰:

选型支持及资料请联系:021-51186187 13501695009 (微信同号) QQ:709722748








